Трансформатор силовой ТМГ-СЭЩ-100/10-11 10.00/0.40 Y/Zн-11

Трансформатор силовой ТМГ-СЭЩ-100/10-11 10.00/0.40 Y/Zн-11
4.8 27 отзывов | 6 вопросов
от 999 999 руб. / шт
Трансформатор силовой ТМГ-СЭЩ-100/10-11 10.00/0.40 Y/Zн-11
Код товара:
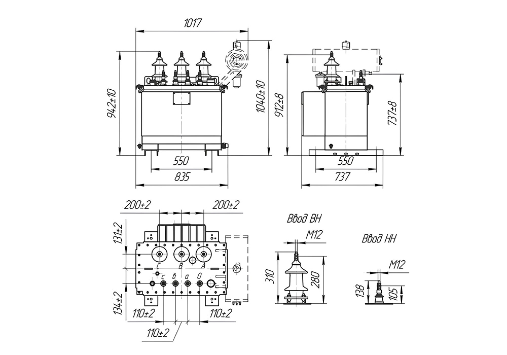
Длина, мм: 835
Ширина, мм: 737
Производитель (бренд): Электрощит
Серия: ТМГ
Вид трансформатора: силовой
Тип охлаждения: масляный
Стоимость цена по запросу
0

В наличии Под заказ 0 (шт)
Доставка: от 1 дня 2 дней

Назначение силового масляного трансформатора ТМГ-СЭЩ-100/10-11 10.00/0.40 Y/Zн-11

Предназначен для понижения напряжения в электросетях до рабочего уровня. Этот трансформатор используется для наружного размещения в условиях умеренного климата (от -45°С до +40°С) или холодного климата (от -60°С до +40°С) в исполнениях У1, УХЛ1, ХЛ1. Обладает высокой устойчивостью к перегрузкам и коротким замыканиям, что позволяет ему работать без частых сервисных вмешательств и ремонтов в течение длительного времени.

Применяется в промышленности и на энергетических объектах, где требуются надежные и долговечные устройства для распределения и трансформации энергии.

Расшифровка обозначения трансформатора ТМГ-СЭЩ

  • Т – трехфазный трансформатор;
  • М – масляное охлаждение;
  • Г – герметичное исполнение масляного бака;
  • 100 – номинальная мощность, кВА;
  • 11;12;15 – серия трансформатора;
  • 10 – напряжение стороны высшего напряжения (ВН), кВ;
  • 0.4 – напряжение стороны низшего напряжения (НН), кВ;
  • Y;Zн – схема соединения обмотки высшего напряжения (ВН);
  • Yн – схема соединения обмотки низшего напряжения (НН);
  • 11 – группа соединения обмоток;
  • У1;УХЛ1;ХЛ1 – климатическое исполнение и категория размещения по ГОСТ 15150-69.

Конструктивные особенности и преимущества

Трансформатор обладает герметичной конструкцией, что обеспечивает защиту от внешних воздействий и минимизирует потребность в обслуживании. Масляное охлаждение эффективно поддерживает стабильную работу устройства при высокой нагрузке и температурных колебаниях. Долговечность и простота эксплуатации делают этот трансформатор идеальным выбором для обеспечения бесперебойного электроснабжения в различных отраслях.

Электрощит

Характеристики

Длина, мм: 835
Ширина, мм: 737
Производитель (бренд): Электрощит
Серия: ТМГ
Вид трансформатора: силовой
Тип охлаждения: масляный
Количество фаз: трехфазный
Номинальная мощность, кВА: 100
Номинальное напряжение НН, кВ: 0,4
Схема и группа соединения обмоток: Y/Zн-11
Потери холостого хода, Вт: 400
Потери короткого замыкания, Вт: 2500
Ток холостого хода, %: 4
Напряжение короткого замыкания, %: 5,2
Страна производства: Россия
Номинальное переменное напряжение, кВ: 10
Высота, мм: 942
Масса полная, кг: 430
Область применения: промышленный
Климатическое исполнение: УХЛ1

Описание

Назначение силового масляного трансформатора ТМГ-СЭЩ-100/10-11 10.00/0.40 Y/Zн-11

Предназначен для понижения напряжения в электросетях до рабочего уровня. Этот трансформатор используется для наружного размещения в условиях умеренного климата (от -45°С до +40°С) или холодного климата (от -60°С до +40°С) в исполнениях У1, УХЛ1, ХЛ1. Обладает высокой устойчивостью к перегрузкам и коротким замыканиям, что позволяет ему работать без частых сервисных вмешательств и ремонтов в течение длительного времени.

Применяется в промышленности и на энергетических объектах, где требуются надежные и долговечные устройства для распределения и трансформации энергии.

Расшифровка обозначения трансформатора ТМГ-СЭЩ

  • Т – трехфазный трансформатор;
  • М – масляное охлаждение;
  • Г – герметичное исполнение масляного бака;
  • 100 – номинальная мощность, кВА;
  • 11;12;15 – серия трансформатора;
  • 10 – напряжение стороны высшего напряжения (ВН), кВ;
  • 0.4 – напряжение стороны низшего напряжения (НН), кВ;
  • Y;Zн – схема соединения обмотки высшего напряжения (ВН);
  • Yн – схема соединения обмотки низшего напряжения (НН);
  • 11 – группа соединения обмоток;
  • У1;УХЛ1;ХЛ1 – климатическое исполнение и категория размещения по ГОСТ 15150-69.

Конструктивные особенности и преимущества

Трансформатор обладает герметичной конструкцией, что обеспечивает защиту от внешних воздействий и минимизирует потребность в обслуживании. Масляное охлаждение эффективно поддерживает стабильную работу устройства при высокой нагрузке и температурных колебаниях. Долговечность и простота эксплуатации делают этот трансформатор идеальным выбором для обеспечения бесперебойного электроснабжения в различных отраслях.



Отзывы и вопросы

Да, вся продукция сертифицирована, соответствует ГОСТ и ТР ТС. Копии документов предоставляем по запросу

Подробнее
На складе работает собственная лаборатория: входной контроль по ГОСТ 18690-2012, проверка маркировки, сечения, изоляции

Подробнее
Нет, отмотка и нарезка в размер - бесплатная услуга

Нет, отрез осуществляется от 1 метра кабеля

Юрлицам — УПД (универсальный передаточный документ)
Физлицам — кассовый чек + ТОРГ-12

Подробнее
Да, все цены указаны с НДС, в документах налог выделяется отдельно.

Да, для постоянных клиентов и крупных заказов — обсуждается индивидуально с менеджером.

К сожалению, пока такой возможности нет. Только наличными на складе.

Подробнее
Индивидуально: зависит от веса, объёма, адреса и способа доставки. Стоимость не заложена в цену товара — вы платите только за кабель.

Подробнее
Да, по Москве и области в радиусе до 100 км при заказе до 14:00.

Подробнее
Да, отправляем заказы по всей России через партнёрские транспортные компании: Деловые Линии, СДЭК, Возовоз. Если у вас есть свой перевозчик — можем отгрузить товар ему на партнерских условиях. Стоимость рассчитывается индивидуально: зависит от веса, объёма и расстояния

Подробнее
Кабель, отмотанный под заказ по метражу, не подлежит возврату, если он надлежащего качества (согласно ФЗ № 2300-1 «О защите прав потребителей»). Возврат возможен только при выявлении производственного брака. Для оформления понадобятся: фото/видео дефекта, акт о браке и контакты вашего менеджера.

Подробнее

Наличие

Склад Доступное количество Срок доставки Адрес склада
Островцы 0 шт от 1 дня 140125, Московская область, городской округ Люберцы,
деревня Островцы, Тураевская улица, 48/2
+7 (800) 222-26-21 График работы: ежедневно с 8:00 до 20:00
Мы используем файлы cookie, чтобы обеспечивать правильную работу нашего веб-сайта, персонализировать рекламные объявления и другие материалы, обеспечивать работу функций социальных сетей и анализировать сетевой трафик. Мы также предоставляем в обезличенном виде информацию об использовании вами нашего веб-сайта своим партнерам по социальным сетям, рекламе и аналитическим системам. Политика использования Cookie-файлов.
Разрешить файлы CookieНастроить файлы CookieОтклонить все